- Радиоэлектроника. Связь
- Метрология, стандартизация и сертификация
- Горная промышленность. Металлургия
- Энергетика
- Машиностроение. Приборостроение
- Автоматика. Вычислительная техника
- Транспорт
- Легкая промышленность
- Полиграфия
- Строительство. Коммунальное хозяйство
- Электротехника. Электроника
- Робототехника и контроллеры
- Ремонт бытовых приборов
Технологическое проектирование производства спиртных напитков. Учебное пособие (Новикова Инна Владимировна, Агафонов Геннадий Вячеславович, Яковлев Алексей Николаевич); Лань, 2015
741
Издатель: Лань
ISBN: 978-5-8114-1797-1
EAN: 9785811417971
Книги: Пищевая промышленность
ID: 1743719
Добавлено: 12.12.2017
Описание
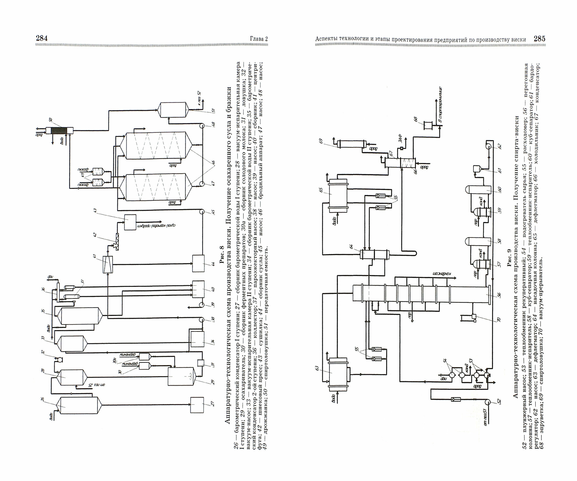
Учебное пособие составлено для выполнения выпускных квалификационных работ, а также изучения программы курса "Проектирование предприятий отрасли". В нем представлены прогрессивные аппаратурно-технологические схемы производства спиртных напитков - водок, ликеро-водочных изделий, виски. Отражены современные нормативные документы отрасли, новые ГОСТ на сырье, полупродукты производства и готовую продукцию, учтены научно-практические аспекты технологии спиртных напитков с применением древесины, актуальные разработки в технологии и оборудовании. Приведены примеры по расчету продуктов и компоновочных решений основных технологических участков производства. Даны характеристики новых видов оборудования. Приведены нормы расхода энергоресурсов, требования к метрологической службе, отоплению, вентиляции и теплоснабжению. Описаны требования к строительному проектированию, взрывопожаробезопасности, технике безопасности и производственной санитарии, охране окружающей среды, основные технико-экономические показатели, обобщены данные по проектированию предприятий. Предназначено для студентов, обучающихся по направлению "Технология бродильных производств и виноделие" и магистерской программе "Биотехнология алкогольных, слабоалкогольных и безалкогольных напитков".
Смотри также о книге.
СкидкаГИД инфо +
Сервис сравнения цен СкидкаГИД предлагает сравнить цены на товар «Книга: Технологическое проектирование производства спиртных напитков. Учебное пособие (Новикова Инна Владимировна, Агафонов Геннадий Вячеславович, Яковлев Алексей Николаевич); Лань, 2015»
По данным нашего сервиса товар предлагался к продаже в 7 магазинах. На сегодняшний день доступен в 1 магазине: ЛитРес. По цене от 741 р. до 741 р. В случае, если для вас на данный момент цена слишком высока, вы можете воспользоваться сервисом «Сообщить о снижении цены» - мы оповестим вас как только цена опустится до желаемого значения. Но будьте внимательны, используя сервис «История цены» можно спрогнозировать в какую сторону изменяется цена, возможно сейчас самое время для покупки.
Кроме сервиса сравнеция цен, наш сайт также позволяет экономить еще двумя способами: промокодный сервис (информация о промокодах, а также скидки и акции на товары), а также собственный кэшбэк сервис. Купить с кешбеком можно в следующих магазинах: ЛитРес. А информация о промокодах доступна рядом с ценой от магазина и постоянно обновляется.
О книге
| Параметр | Значение |
|---|---|
| ISBN | 978-5-8114-1797-1 |
| Автор(ы) | Новикова Инна Владимировна, Агафонов Геннадий Вячеславович, Яковлев Алексей Николаевич |
| Вес, в граммах | 390 |
| Вес | 0,421 |
| Возрастное ограничение | 16+ |
| Год издания | 2015 |
| Издатель | Лань |
| Издательство | Лань |
| Кол-во страниц | 384 |
| Количество книг | 1 |
| Количество страниц | 384 |
| Назначение | для технических ВУЗов |
| Обложка | твердый переплёт |
| Переплет | 207.00mm x 136.00mm x 20.00mm |
| Переплёт | твердый |
| Раздел | Основы производства |
| Размеры | 84x108/32 |
| Серия | Учебники для вузов. Специальная литература |
| Страниц | 384 |
| Тематика | Энергетика |
| Тип обложки | твердая |
| Тираж | 500 |
| Формат | 20.0 x 13.0 x 2 |
| Язык издания | rus |
Где купить (1)
Цена от 741 руб до 741 руб в 1 магазине
Также рекомендуем ознакомиться с ценами на Яндекс.Маркет.
Похожие предложения вы можете найти в нашей подборке:
Книги: Пищевая промышленность - издательство "Лань"
Книги: Пищевая промышленность с ценой 592-889 р.
| Магазин | Цена | Наличие |
|---|---|---|
| ЛитРес 5/5 |
| обновлено 15.11.2025 |
| Avito 5/5 | Avito доставка позволит получить любой товар, не выходя из дома
| |
| Магазин | Последняя известная цена | Обновлено |
|---|---|---|
| Лабиринт | 2106 | 25.10.2024 |
| book24 | 1615 | 15.07.2022 |
| Яндекс.Маркет | 1007 | 27.06.2024 |
| МАЙШОП | 1278 | 21.06.2024 |
| OZON | 1091 | 24.06.2024 |
| Мегамаркет | 2637 | 03.09.2024 |
Кэшбэк сервис СкидкаГИД
На сегодняшний день товар «Книга: Технологическое проектирование производства спиртных напитков. Учебное пособие (Новикова Инна Владимировна, Агафонов Геннадий Вячеславович, Яковлев Алексей Николаевич); Лань, 2015» можно купить с кешбеком в 1 магазине: ЛитРес
Кэшбэк – это возврат части денег, потраченных Вами в интернет-магазинах. Всего на нашем сайте более 500 магазинов, с многими из которых Вы наверняка уже знакомы. У каждого магазина свои условия. Кто-то возвращает процент от покупки, а кто-то фиксированную сумму.
Заказывайте он-лайн и получайте часть денег обратно, подробнее..
Книги: Пищевая промышленность - издательство "Лань"
Категория 592 р. - 889 р.
Пищевая промышленность - издательство "Лань" »
Книги: Пищевая промышленность
Категория 592 р. - 889 р.



