- Военная техника
- Устройство и обслуживание автомобилей
- Энциклопедии автомобилей
- Вождение автомобиля
- Велосипеды. Мотоциклы. Скутеры
- Воздушный транспорт
- Поезда
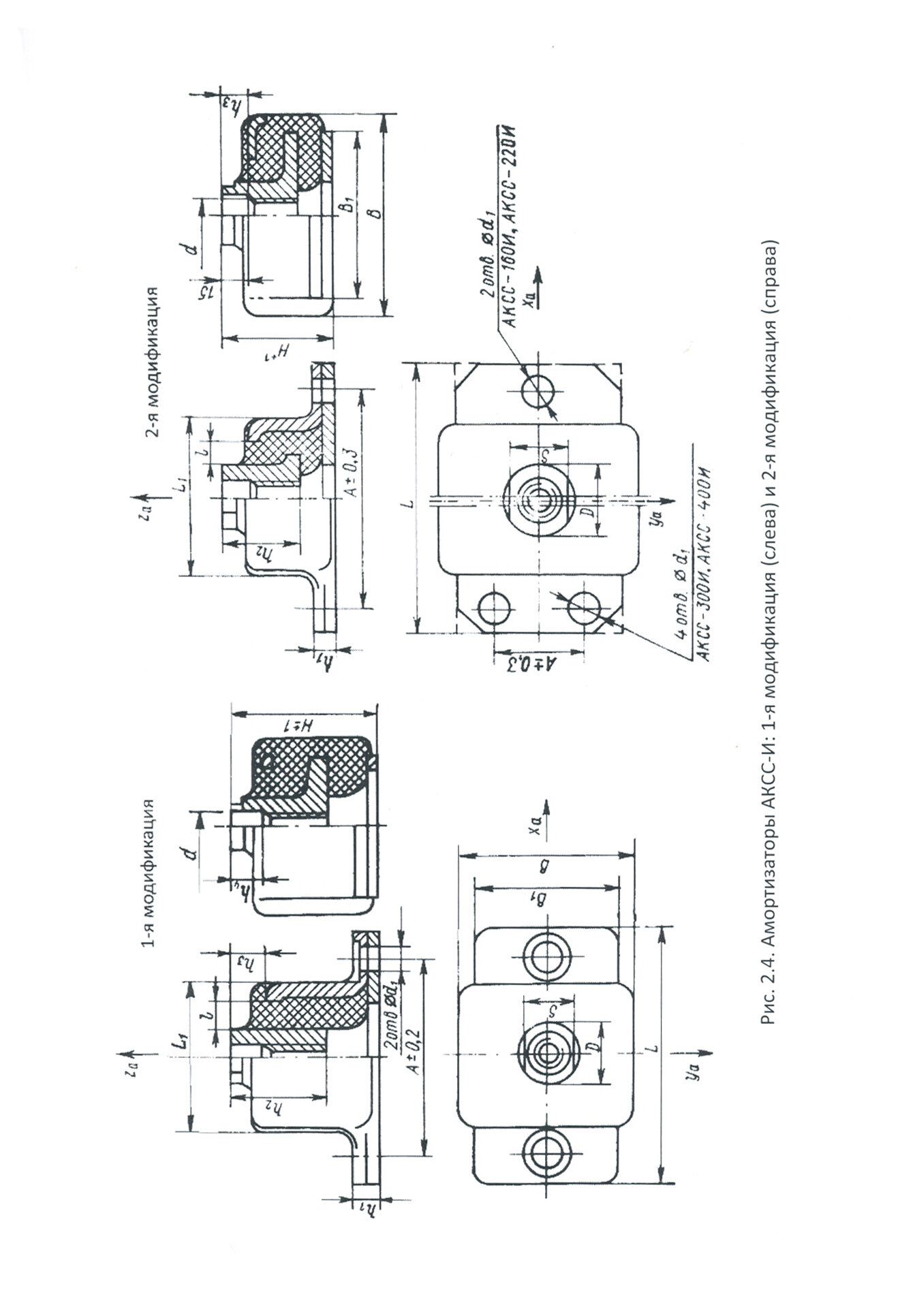
Судовое электрооборудование: конструктивно-монтажные узлы (Горшков Александр Иванович, Висленев Юрий Степанович, Лазаревский Николай Алексеевич); Политехника, 2019
2618
Издатель: Политехника
ISBN: 978-5-7325-1148-2
EAN: 9785732511482
Книги: Водный транспорт
ID: 6531367
Добавлено: 18.09.2020
Описание
В монографии рассмотрены общие принципы монтажа электрооборудования на судах. Систематизированы типовые конструктивно-монтажные узлы судового электрооборудования, применяемые при строительстве судов по электротехнической части. Приведено научное обоснование влияния физических процессов, протекающих в контактных соединениях, на работоспособность судового электрооборудования. Испытания конструктивно-монтажных узлов рассмотрены как полный факторный эксперимент, с примерами планирования, проведения и обработки полученных данных. Рассмотрен технический и эксплуатационный контроль технического состояния электромонтажных изделий.
Книга предназначена для научных и инженерно-технических специалистов, деятельность которых связана с проектированием, электромонтажем и эксплуатацией судового электрооборудования и судовых систем. Книга может быть полезна аспирантам и студентам высших учебных заведений, обучающимся по электромеханическим специальностям и направлениям подготовки.
Книга издана при поддержке научно-производственного центра "Судовые электротехнические системы" (НПЦ "СЭС")
Смотри также о книге.
СкидкаГИД инфо +
Сервис сравнения цен СкидкаГИД предлагает сравнить цены на товар «Книга: Судовое электрооборудование: конструктивно-монтажные узлы (Горшков Александр Иванович, Висленев Юрий Степанович, Лазаревский Николай Алексеевич); Политехника, 2019»
По данным нашего сервиса товар предлагался к продаже в 6 магазинах. На сегодняшний день доступен в 3 магазинах: Читай-город, Буквоед, book24. По цене от 2618 р. до 2618 р., средняя цена составляет 2618 р., а самая низкая цена в магазине Читай-город. В случае, если для вас на данный момент цена слишком высока, вы можете воспользоваться сервисом «Сообщить о снижении цены» - мы оповестим вас как только цена опустится до желаемого значения. Но будьте внимательны, используя сервис «История цены» можно спрогнозировать в какую сторону изменяется цена, возможно сейчас самое время для покупки.
Кроме сервиса сравнеция цен, наш сайт также позволяет экономить еще двумя способами: промокодный сервис (информация о промокодах, а также скидки и акции на товары), а также собственный кэшбэк сервис. Купить с кешбеком можно в следующих магазинах: Читай-город, Буквоед, book24. А информация о промокодах доступна рядом с ценой от магазина и постоянно обновляется.
О книге
| Параметр | Значение |
|---|---|
| ISBN | 978-5-7325-1148-2 |
| Автор(ы) | Горшков Александр Иванович, Висленев Юрий Степанович, Лазаревский Николай Алексеевич |
| Вес | 0.65кг |
| Год издания | 2019 |
| Издатель | Политехника |
| Кол-во страниц | 315 |
| Количество страниц | 315 |
| Обложка | твердый переплёт |
| Переплет | Твердый переплет |
| Раздел | Радиоэлектроника |
| Размеры | 70x100/16 |
| Формат | 177x248мм |
| Язык издания | rus |
Где купить (3)
Цена от 2618 руб до 2618 руб в 3 магазинах
Также рекомендуем ознакомиться с ценами на Яндекс.Маркет.
Похожие предложения вы можете найти в нашей подборке:
Книги: Нехудожественная литература о водном транспорте - издательство "Политехника"
Книги: Нехудожественная литература о водном транспорте с ценой 2094-3141 р.
| Магазин | Цена | Наличие |
|---|---|---|
| book24 5/5 | Промокоды на скидку | обновлено 30.10.2025 |
| Буквоед 5/5 | Промокоды на скидку | обновлено 30.10.2025 |
| Читай-город 5/5 | 2618 3185 Промокоды на скидку | обновлено 30.10.2025 |
| Avito 5/5 | Avito доставка позволит получить любой товар, не выходя из дома Промокоды на скидку | |
| Магазин | Последняя известная цена | Обновлено |
|---|---|---|
| Лабиринт | 2551 | 21.11.2024 |
| Яндекс.Маркет | 4094 | 17.06.2024 |
| МАЙШОП | 1547 | 23.06.2024 |
Кэшбэк сервис СкидкаГИД
На сегодняшний день товар «Книга: Судовое электрооборудование: конструктивно-монтажные узлы (Горшков Александр Иванович, Висленев Юрий Степанович, Лазаревский Николай Алексеевич); Политехника, 2019» можно купить с кешбеком в 3 магазинах: book24, Буквоед, Читай-город
Кэшбэк – это возврат части денег, потраченных Вами в интернет-магазинах. Всего на нашем сайте более 500 магазинов, с многими из которых Вы наверняка уже знакомы. У каждого магазина свои условия. Кто-то возвращает процент от покупки, а кто-то фиксированную сумму.
Заказывайте он-лайн и получайте часть денег обратно, подробнее..
Книги: Нехудожественная литература о водном транспорте - издательство "Политехника"
Водный транспорт - издательство "Политехника" »
Книги: Нехудожественная литература о водном транспорте
Категория 2094 р. - 3141 р.



