- Дренажные насосы
- Колодезные насосы
- Скважинные насосы
- Самовсасывающие насосы
- Насос для дизельного топлива
- Вибрационные насосы
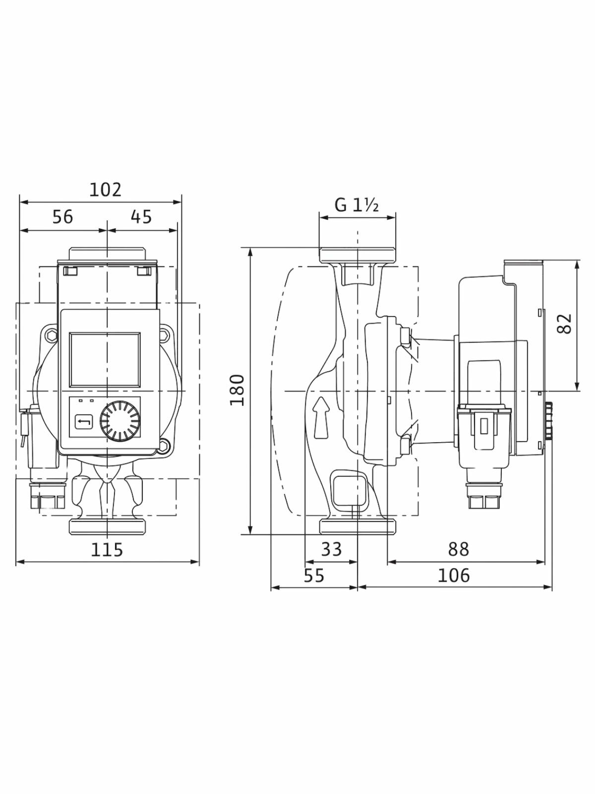
Циркуляционный насос Wilo Yonos PICO 25/1-4
Производитель: Wilo
Модель: Yonos PICO 25/1-4
Тип товара: Циркуляционный насос
ID: 4967216
Добавлено: 16.01.2020
Описание
Основные преимущества циркуляционного насоса от немецкого бренда WILO:
- Циркуляционный насос предназначен для перекачивания жидкости в системах отопления.
- Температура жидкости: от –10 °С до +95 °С
- Рабочее давление: 6 бар
- Высокий класс защиты – IP X2 D.
- Максимальный КПД за счет технологии ECM.
- Высокоэффективный насос специально для коттеджей и двухквартирных домов, а также для домов с двумя-шестью квартирами.
- Мин. потребляемая мощность всего 4 Вт.
- Предварительное выбираемые виды регулировки для оптимального согласования нагрузки ?p-c (перепад давления постоянный), ?p-v (перепад давления переменный)
- Встроенная защита двигателя.
- Светодиодный индикатор для настройки заданного значения и индикации текущей потребляемой мощности в ваттах.
- Функция отвода воздуха из полости ротора.
- Быстрое электроподключение с Wilo-Connector.
- Гибкие возможности монтажа благодаря компактной конструкции.
- Очень высокий пусковой крутящий момент для безопасного пуска.
- Корпус насоса: Серый чугун (EN?GJL-200).
- Рабочее колесо: Синтетический материал (PP - 40% GF).
- Вал насоса: Нержавеющая сталь.
- Подшипники: Металлографит.
- Длительный срок бесперебойной эксплуатации.
Циркуляционные насосы от немецкой торговой марки WILO – это широкий выбор моделей, которые разработаны специально для использования в системах отопления, холодного или горячего водоснабжения, в бытовых или промышленных системах кондиционирования и системах циркуляции жидкости. Все приборы изготовлены их прочного серого чугуна с катафозным покрытием, что значительно увеличивает срок службы не только насоса, но и систем, в которых они используются.
Смотреть видео о WiloСмотри также характеристики.
СкидкаГИД инфо +
Сервис сравнения цен СкидкаГИД предлагает сравнить цены на товар «Циркуляционный насос Wilo Yonos PICO 25/1-4»
По данным нашего сервиса товар предлагался к продаже в 3 магазинах. На сегодняшний день доступен в 1 магазине: MirCli. По цене от 0 р. до 0 р. В случае, если для вас на данный момент цена слишком высока, вы можете воспользоваться сервисом «Сообщить о снижении цены» - мы оповестим вас как только цена опустится до желаемого значения. Но будьте внимательны, используя сервис «История цены» можно спрогнозировать в какую сторону изменяется цена, возможно сейчас самое время для покупки.
Кроме сервиса сравнеция цен, наш сайт также позволяет экономить еще двумя способами: промокодный сервис (информация о промокодах, а также скидки и акции на товары), а также собственный кэшбэк сервис. Купить с кешбеком можно в следующих магазинах: MirCli. А информация о промокодах доступна рядом с ценой от магазина и постоянно обновляется.
Чтобы сделать правильный выбор у нас есть подборка видео обзоров:
- Циркуляционный насос WILO YONOS PICO. Комплектация, установка, настройка.
- Насос WILO Yonos PICO 25/1-4
Также покупатели оставили 2 отзыва и высоко оценили данный товар. Если у вас есть чем дополнить данные отзывы, напишите свой отзыв. Или оцените уже имеющиеся отзывы +1 -1
Достоинства
- Большей диапазон настройки для теплого пола.
Характеристики
| Параметр | Значение |
|---|---|
| Max темп. жидкости, С | 95 |
| Вес, кг | 2 |
| Вес | 2.15кг |
| Высота подъема, м | 10 |
| Высота, см | 13.16 |
| Высота | 131.6 |
| Габариты ВхШхГ, мм | 131.6х180х101.8 |
| Габариты ВхШхГ, см | 16x18x8.1 |
| Гарантия | 5 лет |
| Глубина, см | 10.18 |
| Глубина | 101.8 |
| Давление | 10бар |
| Диаметр разъема соединения | 1.5'' |
| Длина | 12.6см |
| Качество воды | чистая |
| Класс защиты | IPX2D |
| Материал корпуса | Чугун |
| Метод установки | поверхностный |
| Монтажная длина, мм | 180 |
| Мощность, Вт | 15 |
| Мощность | 20Вт |
| Назначение | отопление |
| Наличие гаек в комплекте | Нет |
| Напор | 4.1м |
| Напряжение сети, В | 220 В |
| Напряжение | 230В |
| Производ. л/мин | 42 |
| Производитель | Германия |
| Производительность | 2.7м3/ч |
| Раб. давление, бар | 10 |
| Режим работы | Авто |
| Страна производитель | Франция |
| Страна | Германия |
| Температура перекачиваемой жидкости | от -10 до +95 °C |
| Тип рабочей жидкости | Вода/антифриз |
| Тип ротора | Мокрый |
| Тип соединения | Резьбовой |
| Тип установки | горизонтальный |
| Тип | циркуляционный |
| Установка насоса | Универсальная |
| Ширина, см | 18 |
| Ширина | 180 |
| диаметр подключ., дюйм | 1 |
| диаметр присоединит. патрубка, дюйм | 1 |
Видео обзоры
Обзор и описание насосов Wilo Stratos Pico и Wilo Yonos Pico

Wilo-Yonos PICO. Обзор циркуляционного насоса с мокрым ротором

Видеообзор насоса Wilo Yonos PICO для систем отопления и систем теплых полов

Циркуляционный насос WILO YONOS PICO. Комплектация, установка, настройка.

Насос WILO Yonos PICO 25/1-4

Где купить (1)
Цена от 0 руб до 0 руб в 1 магазине
Похожие предложения вы можете найти в нашей подборке:
Циркуляционные насосы Wilo
Циркуляционные насосы с ценой 0-0 р.
| Магазин | Цена | Наличие |
|---|---|---|
| MirCli 5/5 | Промокоды на скидку | обновлено 22.05.2026 |
| Яндекс.Маркет 5/5 | Промокоды на скидку | |
| AliExpress 5/5 | Один из крупнейших мировых маркетплейсов, Промокоды на скидку | |
| Магазин | Последняя известная цена | Обновлено |
|---|---|---|
| ziwo | 17550 | 07.12.2024 |
| proclimatgroup | 17550 | 07.12.2024 |
Кэшбэк сервис СкидкаГИД
На сегодняшний день товар «Циркуляционный насос Wilo Yonos PICO 25/1-4» можно купить с кешбеком в 1 магазине: MirCli
Кэшбэк – это возврат части денег, потраченных Вами в интернет-магазинах. Всего на нашем сайте более 500 магазинов, с многими из которых Вы наверняка уже знакомы. У каждого магазина свои условия. Кто-то возвращает процент от покупки, а кто-то фиксированную сумму.
Заказывайте он-лайн и получайте часть денег обратно, подробнее..
Отзывы (2)
-
Анонимно
- 27 октября 20225/5
Сломался рециркуляционный насос в отоплении, да и хорошо, есть повод купить новый. Старый был не очень хороший. Плохо гнал воду по системе, соответственно холодно в доме. Выбрал насос Wilo Yonos PICO 25/1-4 немецкого производства. Оплатил картой, доставка привезла товар на дом. Насос с нормальной мощностью, в доме стало теплее, давление в системе не падает. Немного дороговат, но хороший товар дешево не стоит.
Добавить отзыв



